Please use this identifier to cite or link to this item:
https://repository.sustech.edu/handle/123456789/7838| Title: | SIMULATION OF IMPULSE VOLTAGE GENERATOR CRCUITS FOR TESTING HIGH VOLTAGE EQUIPMENT |
| Authors: | AHMED, MOHAMED HASSAN ELFAKI Supervisor - خميس أربيش سعد الدين |
| Keywords: | Electrical Engineering VOLTAGE GENERATOR CRCUITS TESTING HIGH VOLTAGE EQUIPMENT HIGH VOLTAGE |
| Issue Date: | 1-Nov-2006 |
| Publisher: | Sudan University of Science and Technology |
| Citation: | AHMED, MOHAMED HASSAN ELFAKI .SIMULATION OF IMPULSE VOLTAGE GENERATOR CRCUITS FOR TESTING HIGH VOLTAGE EQUIPMENT/MOHAMED HASSAN ELFAKI AHMED;Khamis.S.A.-Khartoum:Sudan University of Science and Technology,College of Engineering,2006.-66P. : ill. : 28Cm.-M.Sc. |
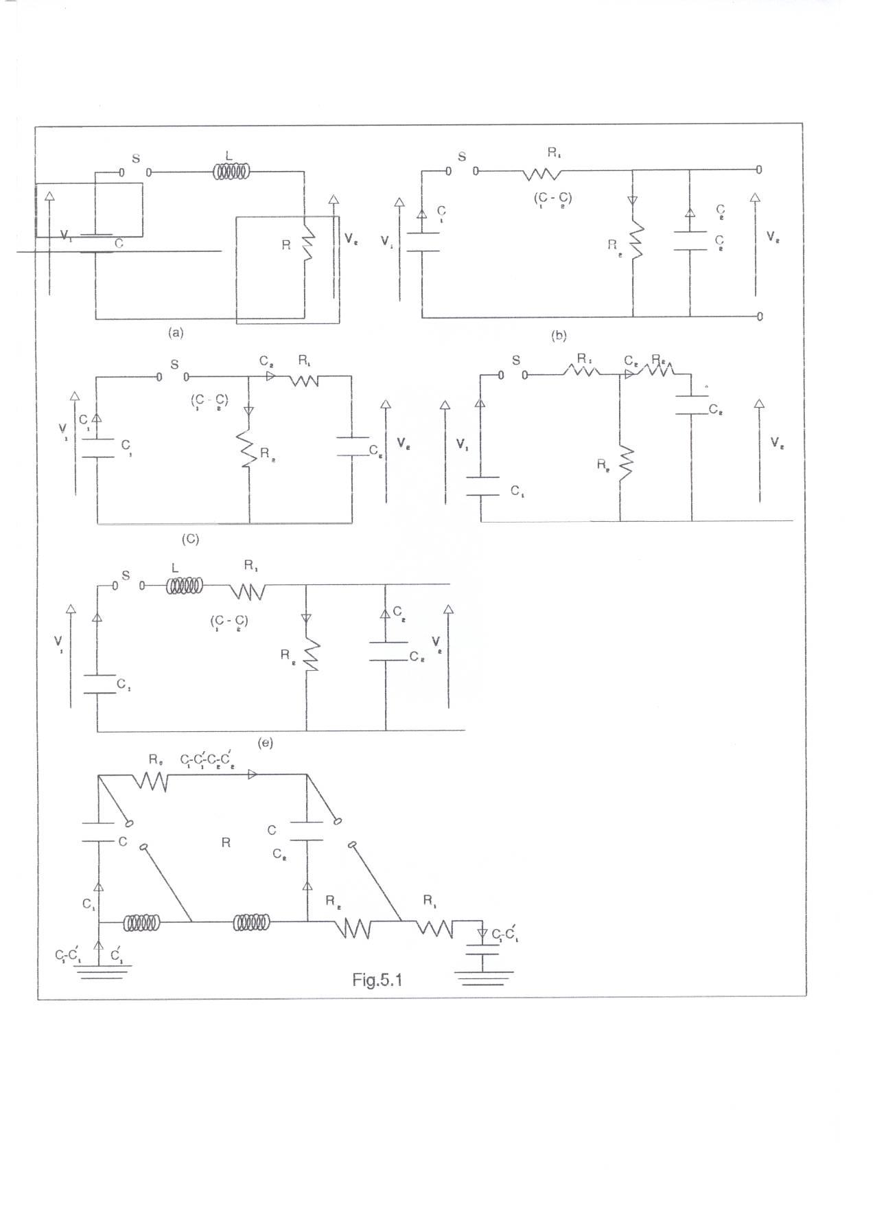
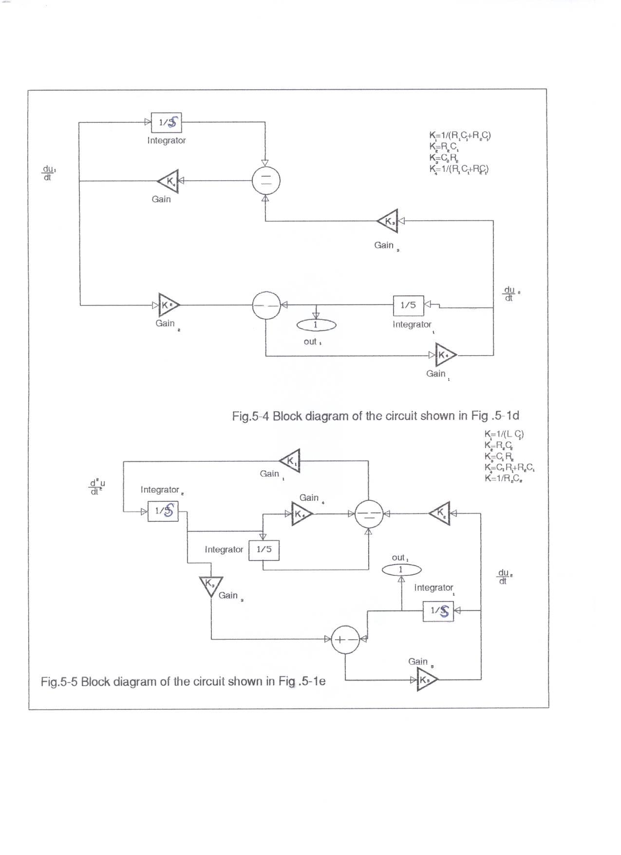
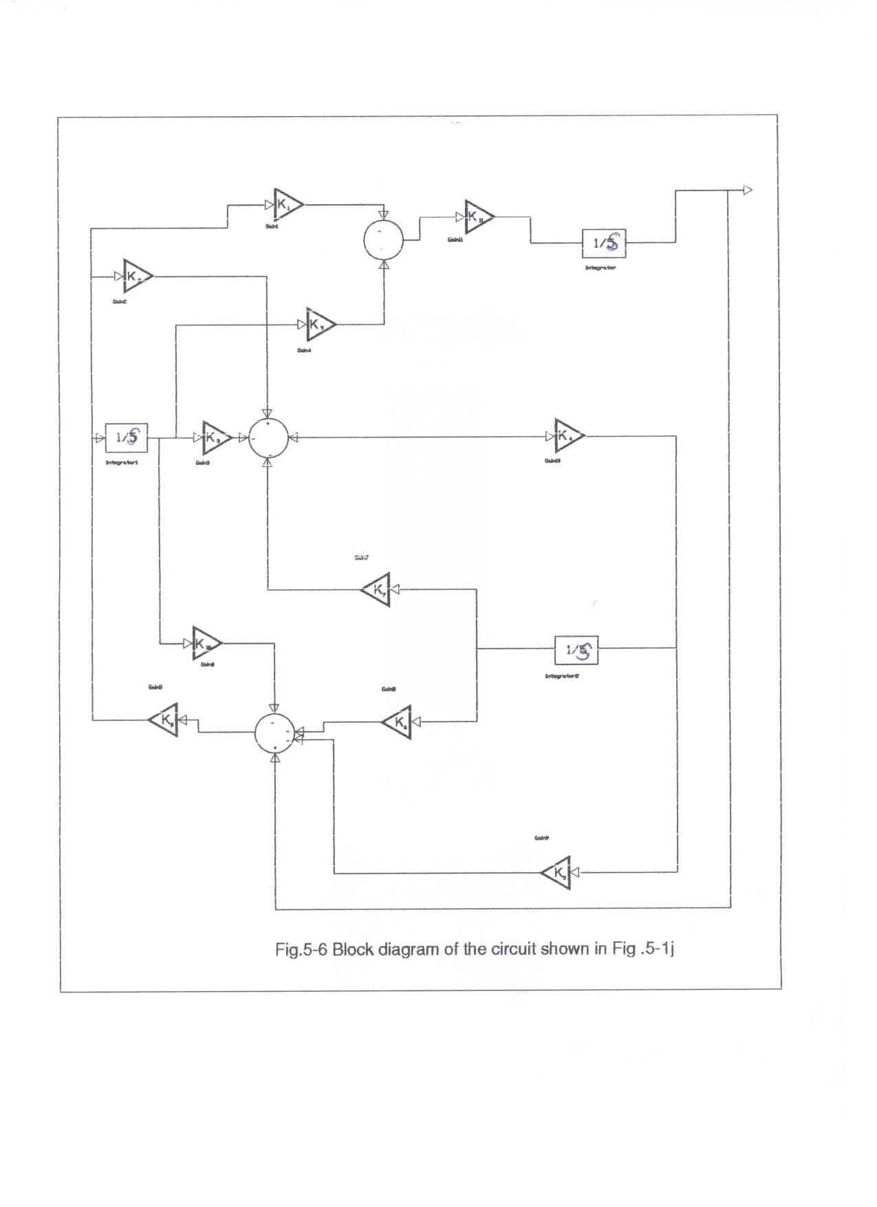
| Abstract: | It is essential for electrical power engineers to reduce the number of outages and preserve the continuity of service and electrical supply Therefore it is necessary to direct special attention towards the protection of transmission line and power apparatus from the chief cause of over voltage due to lightning and switching. So it became necessary to simulate these transient voltages for laboratory testing purposes. There are two types of impulse voltage generator circuits: Single-stage generators circuits where capacitor is slowly being charged from a D.C source until the spark gap breaks down. The combination of the resistors and capacitor or other combinations form the wave-shaping network. Multi-stage generator circuits use capacitors which are charged in parallel and then discharged in series. The differential equation of single–stage and multi-stage circuits have been obtained , hence the block diagrams of these circuits have been derived by using integrators, gains and sums from which matlab programs were written to simulate the wave shape from. The result shows that: The effect of inductance is to cause oscillation on the wave shape. If the series resistance R is increased, the wave front oscillation is damped, but the peak value of the voltage is reduced. The magnitude of the out put voltages of the two-stage generator circuit is greater than the single-stage. |
| Description: | Thesis |
| URI: | http://repository.sustech.edu/handle/123456789/7838 |
| Appears in Collections: | Masters Dissertations : Engineering |
Files in This Item:
| File | Description | Size | Format | |
|---|---|---|---|---|
| SIMULATION OF IMPULSE VOLTAGE ...pdf | title | 38.85 kB | Adobe PDF | View/Open |
| Abstract.pdf | Abstract | 179.67 kB | Adobe PDF | View/Open |
| Research.pdf Restricted Access | Research | 1.22 MB | Adobe PDF | View/Open Request a copy |
| 1.bmp | appendix | 6.56 MB | BMP | View/Open |
| 2.bmp | appendix | 6.56 MB | BMP | View/Open |
| 4.bmp | appendix | 6.56 MB | BMP | View/Open |
| 5.bmp | appendix | 6.56 MB | BMP | View/Open |
| 6.JPG | appendix | 70.97 kB | JPEG | View/Open |
| 7.JPG | appendix | 118.91 kB | JPEG | View/Open |
| 8.JPG | appendix | 67.16 kB | JPEG | View/Open |
| 9.JPG | appendix | 67.53 kB | JPEG | View/Open |
| 10.JPG | appendix | 71.52 kB | JPEG | View/Open |
| 11.JPG | appendix | 76.08 kB | JPEG | View/Open |
| 12.JPG | appendix | 73.39 kB | JPEG | View/Open |
| 13.JPG | appendix | 93.57 kB | JPEG | View/Open |
| 14.JPG | appendix | 92.64 kB | JPEG | View/Open |
| 15.JPG | appendix | 83.59 kB | JPEG | View/Open |
Items in DSpace are protected by copyright, with all rights reserved, unless otherwise indicated.